Specifications
| Attainable Vacuum: |
-100 mbar (230 V) -187 mbar (120 V) |
| Rated Airflow: | 10 l/min |
| Rated Voltage: |
230 V 120 V |
| Maximum Pressure: |
0.15 bar (230 V) 0.18 bar (120 V) |
| Rated Pressure: | 0.1 bar |
| Power Consumption: |
11 W 11 W |
| Rated Frequency: |
50 Hz 60 Hz |
| Life Expectancy: | 5.000 h |
| Working Pressure Range: |
-100 mbar to 0.15 bar (230 V) -187 mbar to 0.18 bar (120 V) |
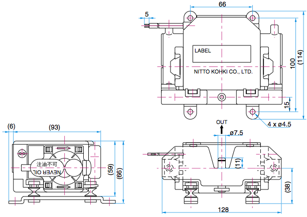
| Outlet (Inlet): | 7.5mm O.D. hose nipple |
| Duty Cycle: | Continuous |
| Coil Insulation Class: | B for 230V & A for 120V or its equivalent (JETL) |
| Mounting Dimensions (L x W): | 66 x 100 mm |
| Gross Weight: | 0.82 kg |
| Leadwire Length: | 200 mm |
Application Examples
Sketch Drawing and Mounting Dimensions Diagram (mm)
