Specifications
| Attainable Vacuum: | -773 mbar |
| Free Air Displacement: | 34 l/min |
| Rated Voltage: | 24 V |
| Maximum Pressure: | 1.5 bar |
| Maximum Current: | 2,5-4.0 A |
| Duty Cycle: | Continuous |
| Life Expectancy: | 5.000 h |
| Outlet (Inlet): | Rc 1/8 |
| Coil Insulation Class: | E type equivalent |
| Mounting Dimensions (L x W): | 166 x 84mm |
| Gross Weight: | 1,6 kg |
Application Examples
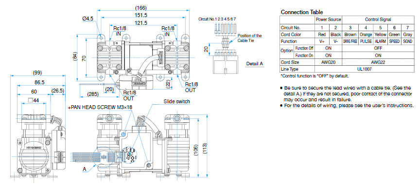
Sketch Drawing and Mounting Dimensions Diagram (mm)
