Specifications
| Attainable Vacuum: | -400 mbar |
| Free Air Displacement: | 3 l/min |
| Rated Voltage: |
12 V 24 V |
| Current (Mean Value): |
0.73 A 0.34 A |
| Life Expectancy: | 10.000 h |
| Outlet: | 6 mm O.D. hose barb |
| Duty Cycle: | Continuous |
| Coil Insulation Class: | A or its equivalent (JETL) |
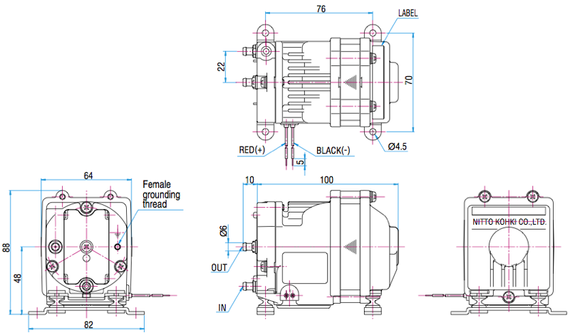
| Mounting Dimensions (L x W): | 76 x 70 mm |
| Gross Weight: | 0.91 kg |
| Leadwire Length: | 300 mm |
Application Examples
Sketch Drawing and Mounting Dimensions Diagram (mm)

