Specifications
| Rated Voltage: | 24 V |
| Flow Rate: | 400 ml/min |
| Working Pressure Range: | 0 ~ 1000 mbar |
| Outlet Pressure: | 3 bar |
| Self-Priming Pressure: | 400 mbar |
| Maximum Current: | 450 mA |
| Rated Operating Time: | Continous |
| Life Expectancy: | 5.000 h |
| Inlet and Outlet: | 5.4 mm O.D. |
| Insulation Classification: | A or its equivalent (JETL) |
| Gross Weight: | 230 g |
| Motor: | DC Brushless Motor |
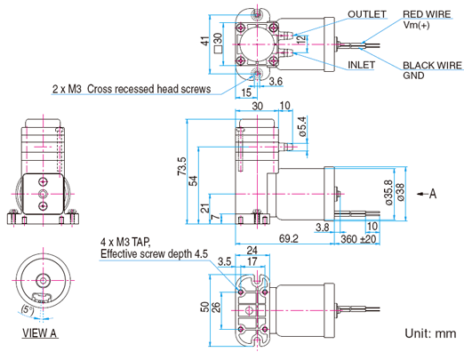
Sketch Drawing and Mounting Dimensions Diagram (mm)
